Cot insurubat push-on tub 08/06 fe r1/4 inox
Cod produs: POCT08FFR14X
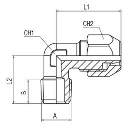
Caracteristici tehnice:
| Tub | F | L1 | CH1 | CH2 | Ambalare |
|---|---|---|---|---|---|
| 8/6 | 1/4''-19 | 22.5 | 10 | 14 | 10 |
| Aplicatii | Automatizari pneumatice |
| Material | Inox |
| Material inel prindere | Inox AISI 316L |
| Gama presiune | Joasa |
| Medii | Aer comprimat,Vacuum,Apa |
| Material tub conexiune | PA6, PA11, PA12, Polietilena, Poliuretan, PTFE |
| Tip filet | BSPT |
| Temperatura minima | -15 |
| Temperatura maxima | +200 |