Adaptor trecere mama 1/4''bsp - tata m 22x1.5 scurt
Cod produs: MB182213
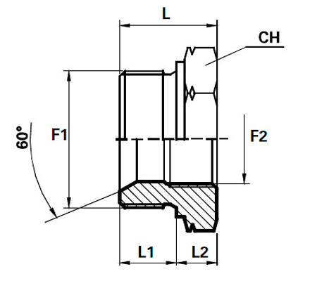
Caracteristici tehnice:
DN | F1 | F2 | CH | L1 | L2 | L | PN |
---|---|---|---|---|---|---|---|
6 | M22x1.5 | 1/4''-19 | 27 | 14 | 10.5 | 24 | 200 |
Tip Filet | BSPP |
Conector F1 | METRIC filet exterior cilindric |
Etansare F1 | Con interior 60° |
Conector F2 | BSPP filet interior cilindric |
Etansare F2 | Pe suprafata |
Material | Otel |
Suprafata | Electro-galvanizare |
Forma constructiva | Drept |

