Cot legatura 90° forjat ol 1/4'' npt - ex 1/4'' npt
Cod produs: VF8913
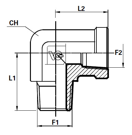
Caracteristici tehnice:
| DN | F1 | F2 | CH | L1 | L2 | PN |
|---|---|---|---|---|---|---|
| 6 | 1/4''-18 | 1/4''-18 | 19 | 28.0 | 22.5 | 300 |
| Tip Filet | NPT |
| Conector F1 | NPT filet exterior conic |
| Etansare F1 | Pe filet exterior conic |
| Conector F2 | NPT filet interior conic |
| Etansare F2 | Pe filet interior conic |
| Material | Otel |
| Suprafata | Electro-galvanizare |
| Forma constructiva | Cot 90° |