V2mt- robinet inalta presiune 2 cai gb2 dn 32 fi m45x2 35l
Cod produs: GB2DDLA3021A000
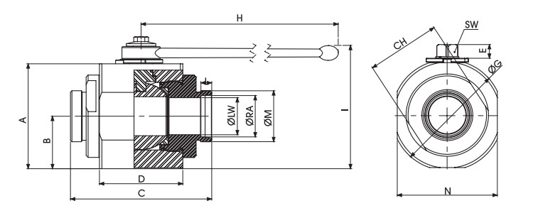
Caracteristici tehnice:
| DN | Filet | A | B | C | D | E | F | G | H | I | L | N | CH | SW | LW | RA | PN | Greutate |
|---|---|---|---|---|---|---|---|---|---|---|---|---|---|---|---|---|---|---|
| 32 | M45x2 | 32 | 46.5 | 135 | 75 | 13.5 | 111.5 | 98 | 300 | 120.5 | 10.5 | 88 | 60 | 17 | 32 | 35.3 | 350 | 5.079 |
| Tip | GB2 |
| Corp | Rotund |
| Material | Otel |
| Tip Filet | METRIC |
| Material etansare | NBR-FKM-EPDM-MVQ |
| Gama presiune | Inalta |
| Temperatura | -30°C / +100°C |
| Standard | DIN 2353 |
| Temperatura minima | -30 |
| Temperatura maxima | +100 |