Flansa cetop cet6 2.1/2''

Cod produs: CET212ST400

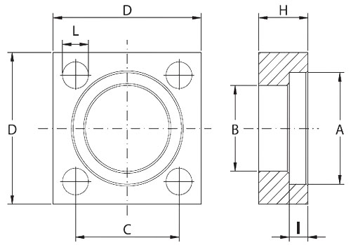
Caracteristici tehnice:

Marime DN A B C D H I L PN Greutate
2"1/2 63 95 80,5 83,4 120 45 16,1 21,0 400 2,55
Gama presiune Inalta
Set livrare Doar flansa
Material Otel
Tip material A105
Forma constructiva Drept
Serie presiune 6000 psi
SCAT CET6 Banner WCN 00847