Semiflansa plata afp3 1/2''
Cod produs: AFP301
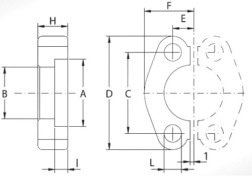
Caracteristici tehnice:
| Marime | DN | A | B | C | D | E | F | H | I | L | Surub | PN | Greutate |
|---|---|---|---|---|---|---|---|---|---|---|---|---|---|
| 1/2" | 12 | 30.96 | 24,26 | 38,10 | 54 | 8,74 | 22,8 | 13 | 6,22 | 8,75 | M8x30 | 345 | 0,10 |
| Suprafata exterioara | |
| Standard | |
| Gama presiune | Medie |
| Standard | ISO 6162-1 |
| Set livrare | Doar flansa (set 2 buc) |
| Material | Otel |
| Tip material | ST52.3 |
| Finisare suprafata | Galvanizat |
| Forma constructiva | Drept |
| Serie presiune | 3000 psi |