Semiflansa plana AFP6
| Suprafata exterioara | |
| Standard | |
| Gama presiune | Inalta |
| Standard | ISO 6162-1 |
| Set livrare | Doar flansa (set 2 buc) |
| Material | Otel |
| Tip material | ST52.3 |
| Finisare suprafata | Galvanizat |
| Forma constructiva | Drept |
| Serie presiune | 6000 psi |
Caracteristici
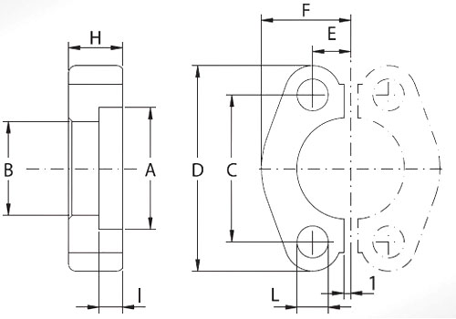
| Cod | Marime | DN | A | B | C | D | E | F | H | I | L | Surub | PN | Greutate |
|---|---|---|---|---|---|---|---|---|---|---|---|---|---|---|
| 1/2" | 12 | 32.54 | 24,64 | 40,49 | 56 | 9,12 | 23,6 | 16 | 7,24 | 8,75 | M8x30 | 415 | 0,16 | |
| 3/4" | 20 | 42.06 | 32,51 | 50,80 | 71 | 11,91 | 30,0 | 19 | 8,26 | 11,00 | M10x35 | 415 | 0,28 | |
| 1" | 25 | 48.41 | 38,86 | 57,15 | 81 | 13,89 | 34,8 | 24 | 9,02 | 13,00 | M12x45 | 415 | 0,43 | |
| 1"1/4 | 32 | 54.76 | 44,45 | 66,68 | 95 | 15,88 | 38,6 | 27 | 9,78 | 15,00 | M14x45 | 415 | 0,65 | |
| 1.1/2 | 40 | 64.29 | 51,56 | 79,38 | 113 | 18,26 | 47,5 | 30 | 12,07 | 17,00 | M16x50 | 415 | 1,23 | |
| 2" | 50 | 80.16 | 67,56 | 96,82 | 133 | 22,23 | 56,9 | 37 | 12,07 | 21,00 | M20x70 | 415 | 2,02 |