Tn 515- 28lr 1'' rac t orient filet bsp corp
Cod produs: R515-28L 1"C
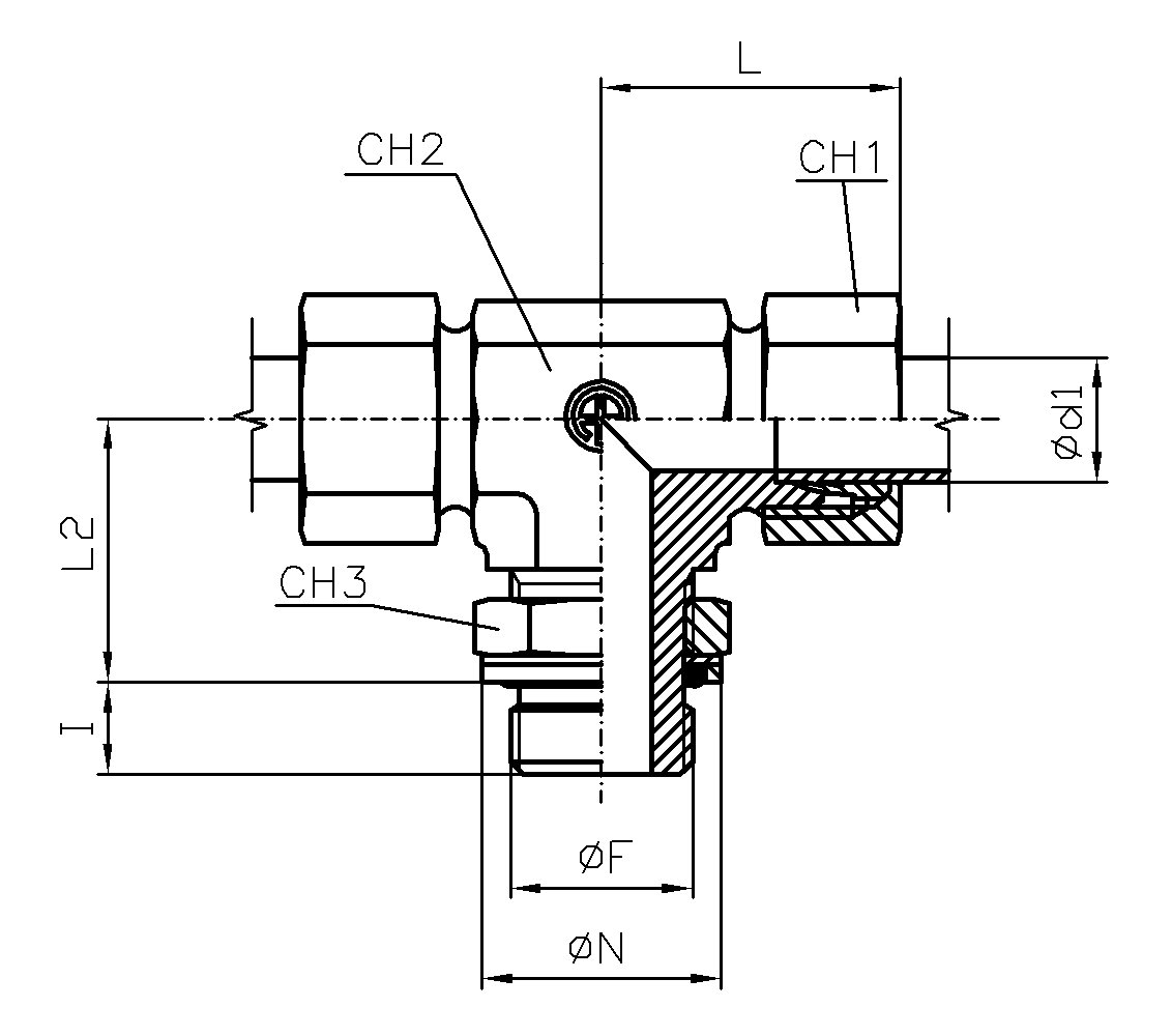
Caracteristici tehnice:
| PN | Diametru teava | Ød1 | F | CH1 | CH2 | CH3 | ØN | I | L | L1 | L2 |
|---|---|---|---|---|---|---|---|---|---|---|---|
| 160 | 28 | 28 | 1''-11 | 41 | 41 | 41 | 44.5 | 16 | 47 | 31 | 41 |
| Tip Filet | BSPP |
| Conector F1 | Filet METRIC exterior cilindric |
| Etansare F1 | Con interior 24° |
| Conector F2 | Filet BSPP exterior cilindric |
| Etansare F2 | Inel O-Ring |
| Echipare | Corp (fara piulita si inel de taiere) |
| Standard | DIN 2353/ISO 8434-1 |
| Material | Otel |
| Suprafata | Galvanizare |