TN 516 S Teu ajustabil lateral filet UNF
| Tip Filet | UNF |
| Conector F1 | Filet METRIC exterior cilindric |
| Etansare F1 | Con interior 24° |
| Conector F2 | Filet UNF/UN exterior cilindric |
| Etansare F2 | Inel O-Ring |
| Echipare | Corp (fara piulita si inel de taiere) |
| Standard | DIN 2353/ISO 8434-1 |
| Material | Otel |
| Suprafata | Galvanizare |
Caracteristici
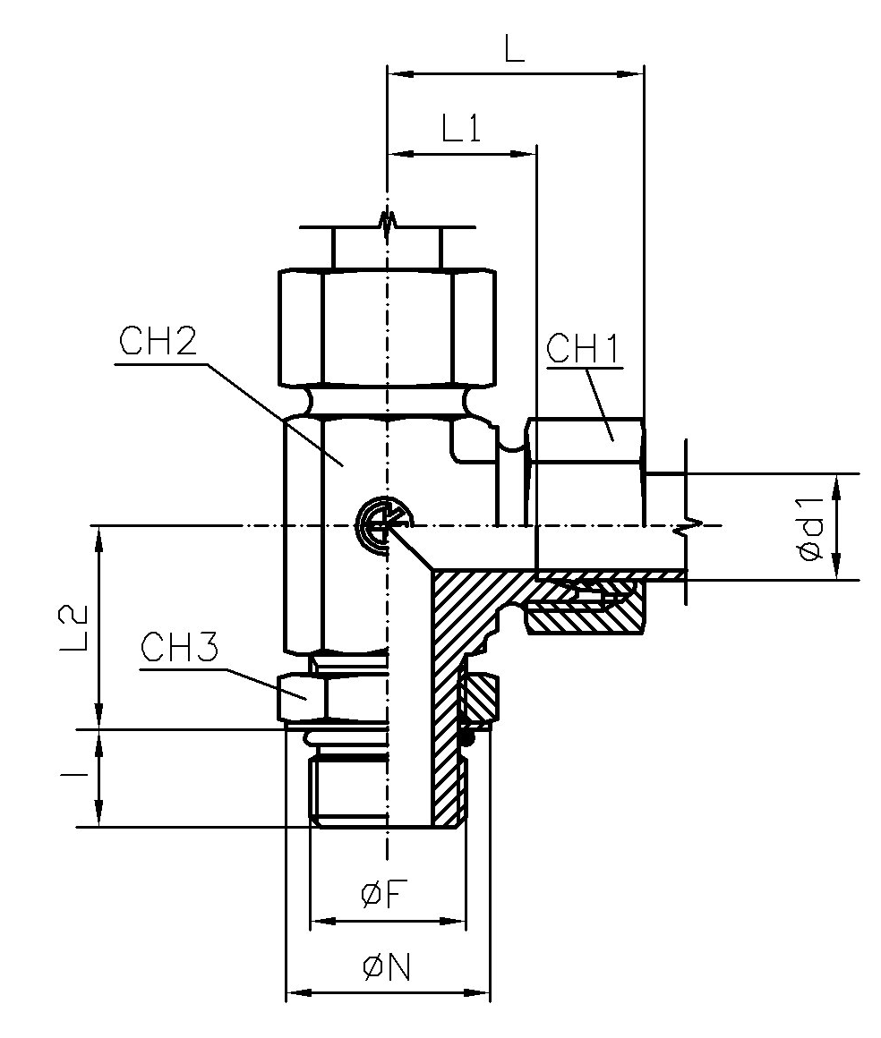
| Cod | PN | Diametru teava | Ød1 | F | CH1 | CH2 | CH3 | ØN | I | L | L1 | L2 |
|---|---|---|---|---|---|---|---|---|---|---|---|---|
| 400 | 6 | 6 | 7/16''-20 | 17 | 14 | 14 | 16.2 | 9 | 30.5 | 15.5 | 23 | |
| 400 | 8 | 8 | 9/16''-18 | 19 | 19 | 17 | 21.2 | 10 | 33.5 | 18 | 27 | |
| 400 | 10 | 10 | 9/16''-18 | 22 | 19 | 17 | 21.2 | 10 | 34 | 18 | 27.5 | |
| 400 | 12 | 12 | 3/4''-16 | 24 | 22 | 22 | 26.2 | 11 | 38 | 22 | 33 | |
| 400 | 16 | 16 | 7/8''-14 | 30 | 27 | 27 | 29.3 | 12.7 | 43 | 25 | 37.3 | |
| 400 | 20 | 20 | 1.1/16''-12 | 36 | 33 | 32 | 37.5 | 15 | 49 | 28 | 38 | |
| 400 | 25 | 25 | 1.1/16''-12 | 46 | 41 | 32 | 37.5 | 15 | 54.5 | 30.5 | 42 | |
| 250 | 30 | 30 | 1.5/8''-12 | 50 | 48 | 50 | 54.5 | 15 | 62 | 36 | 54 | |
| 250 | 38 | 38 | 1.7/8''-12 | 60 | 48 | 55 | 56 | 15 | 65 | 34 | 54 |