TN 111 LR Racord orientabil banjo cu holender filet BSPP
| Tip Filet | BSPP |
| Conector F1 | Filet METRIC exterior cilindric |
| Etansare F1 | Con interior 24° |
| Conector F2 | Filet BSPP exterior cilindric |
| Etansare F2 | Inel de etansare pe muchii |
| Echipare | Corp (fara piulita si inel de taiere) |
| Standard | DIN 2353/ISO 8434-1 |
| Material | Otel |
| Suprafata | Galvanizare |
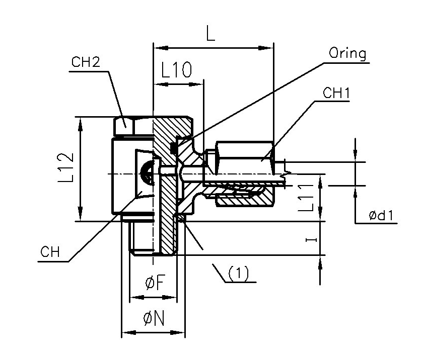
Caracteristici
| Cod | CH | PN | Diametru teava | Ød1 | F | CH1 | CH2 | ØN | I | L | L10 | L11 | L12 |
|---|---|---|---|---|---|---|---|---|---|---|---|---|---|
| 18 | 100 | 4 | 4 | 1/8''-28 | 10 | 14 | 14 | 6 | 24.5 | 13 | 10 | 22 | |
| 18 | 100 | 5 | 5 | 1/8''-28 | 12 | 14 | 14 | 6 | 25 | 11.5 | 10 | 22 | |
| 18 | 100 | 6 | 6 | 1/8''-28 | 10 | 14 | 14 | 6 | 24.5 | 13 | 10 | 22 | |
| 18 | 100 | 8 | 8 | 1/8''-28 | 12 | 14 | 14 | 6 | 25 | 11.5 | 10 | 22 | |
| 19 | 315 | 6 | 6 | 1/8''-28 | 14 | 17 | 15 | 8 | 29 | 13 | 12.5 | 27 | |
| 22 | 315 | 8 | 8 | 1/4''-19 | 17 | 19 | 18 | 12 | 30.5 | 14.5 | 15 | 30.5 | |
| 22 | 315 | 10 | 10 | 1/4''-19 | 19 | 19 | 18 | 12 | 32 | 15.5 | 15 | 30.5 | |
| 30 | 315 | 12 | 12 | 3/8''-19 | 22 | 24 | 22 | 12 | 36 | 19.5 | 19 | 38.5 | |
| 36 | 315 | 15 | 15 | 1/2''-14 | 27 | 27 | 26 | 14 | 39 | 22.5 | 23 | 48 | |
| 36 | 315 | 18 | 18 | 1/2''-14 | 32 | 27 | 26 | 14 | 40 | 22 | 23 | 48 | |
| 41 | 160 | 22 | 22 | 3/4''-14 | 36 | 32 | 32 | 16 | 47 | 28 | 26 | 56 | |
| 50 | 160 | 28 | 28 | 1''-11 | 41 | 41 | 39 | 18 | 51 | 31.5 | 32 | 69.5 | |
| 60 | 160 | 35 | 35 | 1.1/4''-11 | 50 | 50 | 49 | 20 | 60 | 35.5 | 37 | 80.5 | |
| 70 | 160 | 42 | 42 | 1.1/2''-11 | 60 | 55 | 55 | 22 | 66.5 | 41.5 | 43.5 | 93 |