Tn 111gg - 28lr 1'' rac orient bsp garn corp
Cod produs: R111GG-28L 1"C
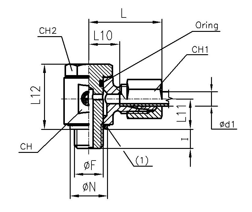
Caracteristici tehnice:
| CH | PN | Diametru teava | Ød1 | F | CH1 | CH2 | ØN | I | L | L10 | L11 | L12 |
|---|---|---|---|---|---|---|---|---|---|---|---|---|
| 50 | 160 | 28 | 28 | 1''-11 | 41 | 41 | 40 | 18 | 51 | 31.5 | 32 | 69.5 |
| Tip Filet | BSPP |
| Conector F1 | Filet METRIC exterior cilindric |
| Etansare F1 | Con interior 24° |
| Conector F2 | Filet BSPP exterior cilindric |
| Etansare F2 | Etansare garnitura |
| Echipare | Corp (fara piulita si inel de taiere) |
| Standard | DIN 2353/ISO 8434-1 |
| Material | Otel |
| Suprafata | Galvanizare |