Tn 130 - 25sr 1'' rac orient bsp corp
Cod produs: R130-25S 1"C
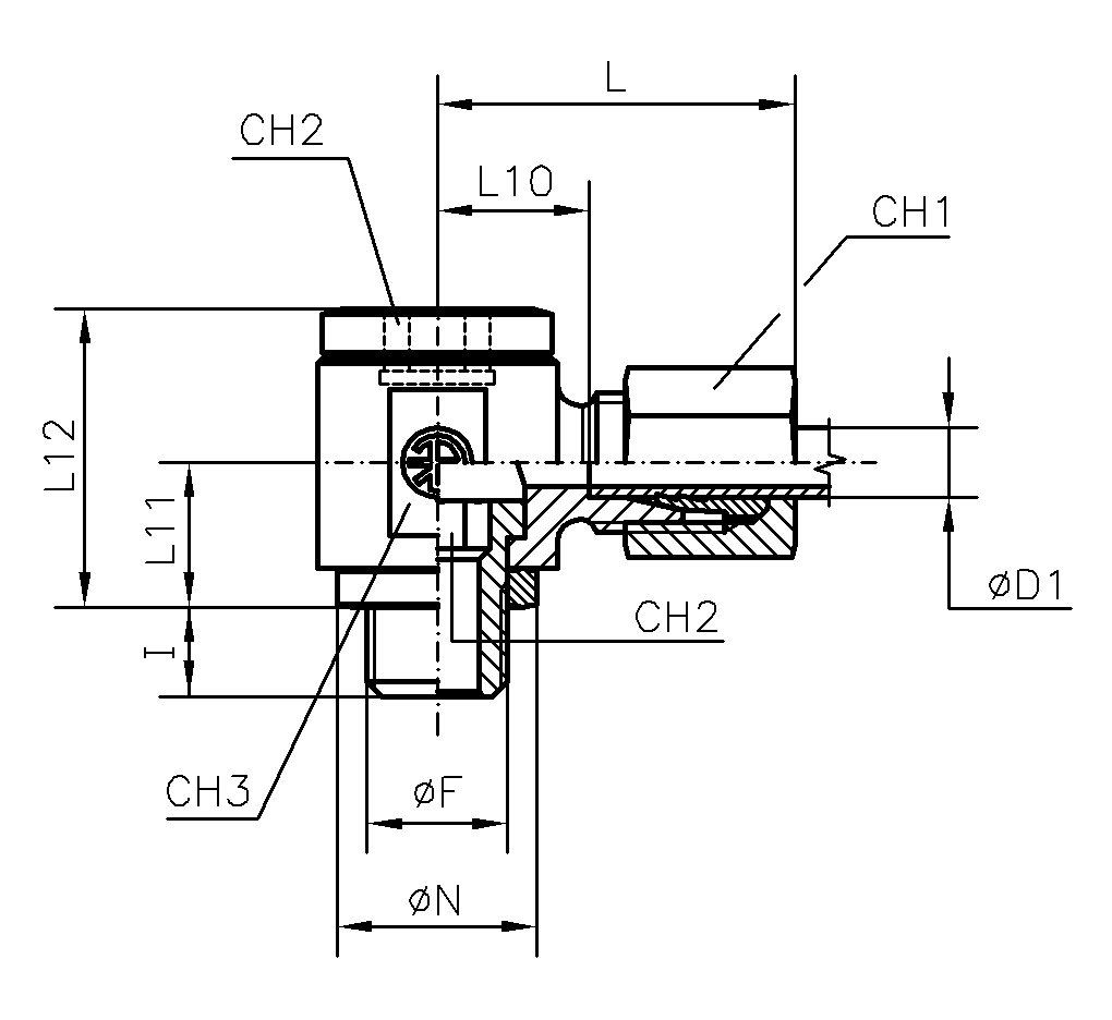
Caracteristici tehnice:
| PN | Diametru teava | Ød1 | F | CH1 | CH2 | CH3 | ØN | I | L | L10 | L11 | L12 |
|---|---|---|---|---|---|---|---|---|---|---|---|---|
| 100 | 25 | 25 | 1''-11 | 46 | 22 | 50 | 39 | 18 | 55 | 31 | 32 | 64 |
| Tip Filet | BSPP |
| Conector F1 | Filet METRIC exterior cilindric |
| Etansare F1 | Con interior 24° |
| Conector F2 | Filet BSPP exterior cilindric |
| Echipare | Corp (fara piulita si inel de taiere) |
| Standard | DIN 2353/ISO 8434-1 |
| Material | Otel |
| Suprafata | Galvanizare |