TN 131 LR Racord orientabil banjo filet BSPP
| Tip Filet | BSPP |
| Conector F1 | Filet METRIC exterior cilindric |
| Etansare F1 | Con interior 24° |
| Conector F2 | Filet BSPP exterior cilindric |
| Echipare | Corp (fara piulita si inel de taiere) |
| Standard | DIN 2353/ISO 8434-1 |
| Material | Otel |
| Suprafata | Galvanizare |
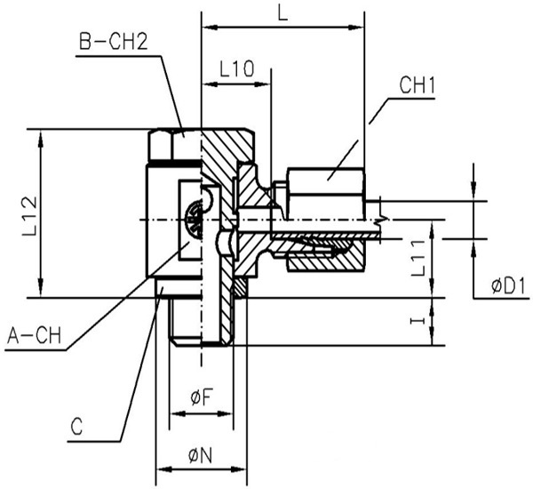
Caracteristici
| Cod | CH | PN | Diametru teava | Ød1 | F | CH1 | CH2 | ØN | I | L | L10 | L11 | L12 |
|---|---|---|---|---|---|---|---|---|---|---|---|---|---|
| 14 | 100 | 4 | 4 | 1/8''-28 | 10 | 14 | 14.5 | 6 | 20 | 13 | 10 | 21.5 | |
| 14 | 100 | 5 | 5 | 1/8''-28 | 12 | 14 | 14.5 | 6 | 20 | 11.5 | 10 | 21.5 | |
| 14 | 100 | 6 | 6 | 1/8''-28 | 12 | 14 | 14.5 | 6 | 20 | 11.5 | 10 | 21.5 | |
| 14 | 100 | 8 | 8 | 1/8''-28 | 14 | 14 | 14.5 | 6 | 21 | 12.5 | 10 | 21.5 | |
| 14 | 250 | 6 | 6 | 1/8''-28 | 14 | 14 | 14.5 | 6 | 26 | 11 | 10 | 21.5 | |
| 19 | 250 | 8 | 8 | 1/4''-19 | 17 | 19 | 18.5 | 9 | 28 | 14 | 13 | 27.5 | |
| 19 | 250 | 10 | 10 | 1/4''-19 | 19 | 19 | 18.5 | 9 | 29 | 13.5 | 13 | 27.5 | |
| 22 | 250 | 12 | 12 | 3/8''-19 | 22 | 22 | 22.5 | 9 | 30 | 16 | 16 | 34 | |
| 30 | 250 | 15 | 15 | 1/2''-14 | 27 | 27 | 26.5 | 11 | 34 | 19.5 | 22 | 45 | |
| 30 | 160 | 18 | 18 | 1/2''-14 | 32 | 27 | 26 | 11 | 36 | 19.5 | 21 | 44 | |
| 36 | 160 | 22 | 22 | 3/4''-14 | 36 | 32 | 32 | 13 | 42 | 25.5 | 23 | 48 |