Tn 95 - 38sm 48x2 cot ins corp metric
Cod produs: R95-38SM48X2C
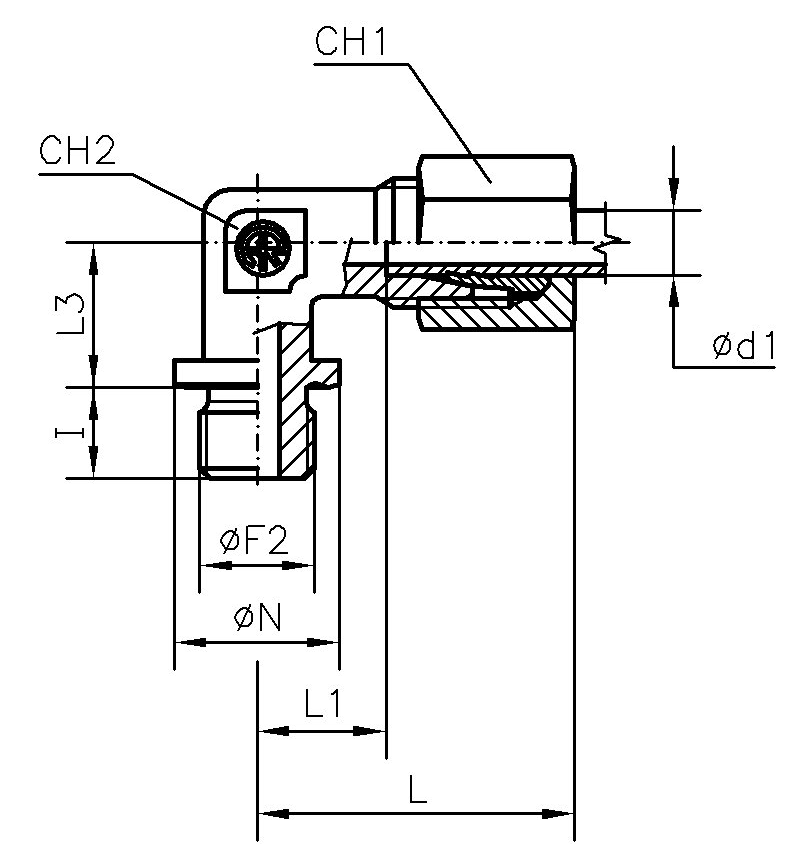
Caracteristici tehnice:
| PN | Diametru teava | Ød1 | F | CH1 | CH2 | ØN | I | L | L1 | L3 |
|---|---|---|---|---|---|---|---|---|---|---|
| 250 | 38 | 38 | M48x2 | 60 | 50 | 55 | 22 | 72 | 41 | 39 |
| Tip Filet | METRIC |
| Conector F1 | Filet METRIC exterior cilindric |
| Etansare F1 | Con interior 24° |
| Conector F2 | Filet METRIC exterior cilindric |
| Etansare F2 | Forma B |
| Echipare | Corp (fara piulita si inel de taiere) |
| Standard | DIN 2353/ISO 8434-1 |
| Material | Otel |
| Suprafata | Galvanizare |