Tn 120 - 28l teu orientabil corp
Cod produs: R120-28LC
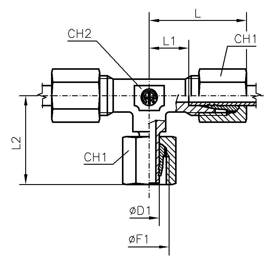
Caracteristici tehnice:
| Diametru teava | Ød1 | ØD1 | F1 | CH1 | CH2 | L | L1 | L2 |
|---|---|---|---|---|---|---|---|---|
| 28 | 28 | 28 | M36x2 | 41 | 36 | 47 | 30.5 | 41.5 |
| Tip Filet | METRIC |
| Conector F1 | Filet METRIC exterior cilindric |
| Etansare F1 | Con interior 24° |
| Conector F2 | Filet METRIC piulita |
| Etansare F2 | Con exterior 24° |
| Echipare | Corp (fara piulita si inel de taiere) |
| Standard | DIN 2353/ISO 8434-1 |
| Material | Otel |
| Suprafata | Galvanizare |