Tn 126gg - 28lm 33x2 adaptor metric neasamblat
Cod produs: R126GG-28L33X2
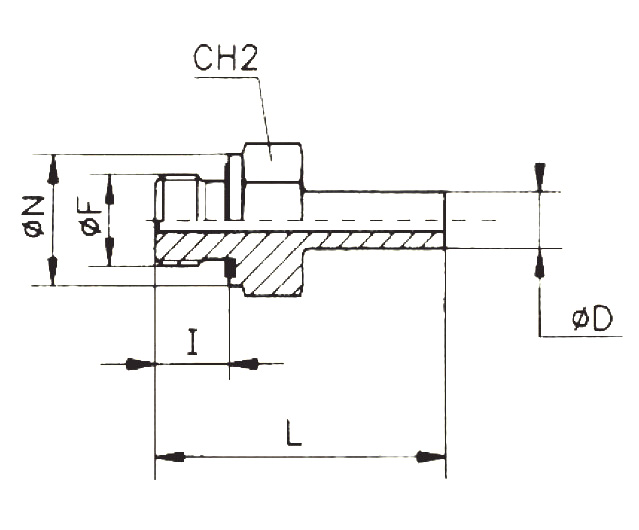
Caracteristici tehnice:
| PN | Diametru teava | ØD | F | CH2 | ØN | I | L |
|---|---|---|---|---|---|---|---|
| 160 | 28 | 28 | M33x2 | 41 | 40 | 18 | 53.5 |
| Tip Filet | METRIC |
| Conector F1 | Racord sudabil |
| Conector F2 | Filet METRIC exterior cilindric |
| Etansare F2 | Forma E garnitura |
| Echipare | Corp (fara piulita si inel de taiere) |
| Standard | DIN 2353/ISO 8434-1 |
| Material | Otel |
| Suprafata | Galvanizare |