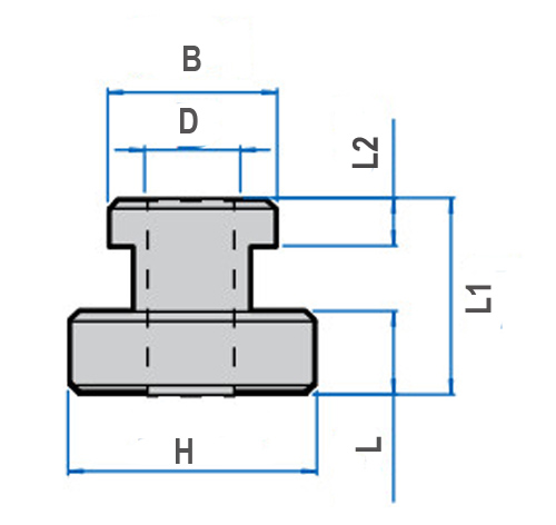
Piulita de fixare sina pentru cleme teava serie grea

SCAT THFSPPS Banner WCN 00896

Caracteristici

Cod Grupa D x L
4 M12