Flansa sudabila afs6 3/4'' de 27.2
Cod produs: AFS402S
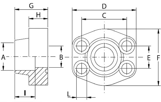
Caracteristici tehnice:
| Marime | DN | Diametru teava | B | C | D | E | F | G | H | I | L | Surub | PN | Greutate |
|---|---|---|---|---|---|---|---|---|---|---|---|---|---|---|
| 3/4" | 20 | 27.2 | 19 | 50,80 | 71 | 23,80 | 55 | 35 | 21 | 22 | 11 | M10x40 | 415 | 0,51 |
| Suprafata exterioara | |
| Gama presiune | Inalta |
| Set livrare | Doar flansa |
| Material | Otel |
| Tip material | ST52.3 |
| Finisare suprafata | Uns negru |
| Forma constructiva | Drept |
| Serie presiune | 6000 psi |