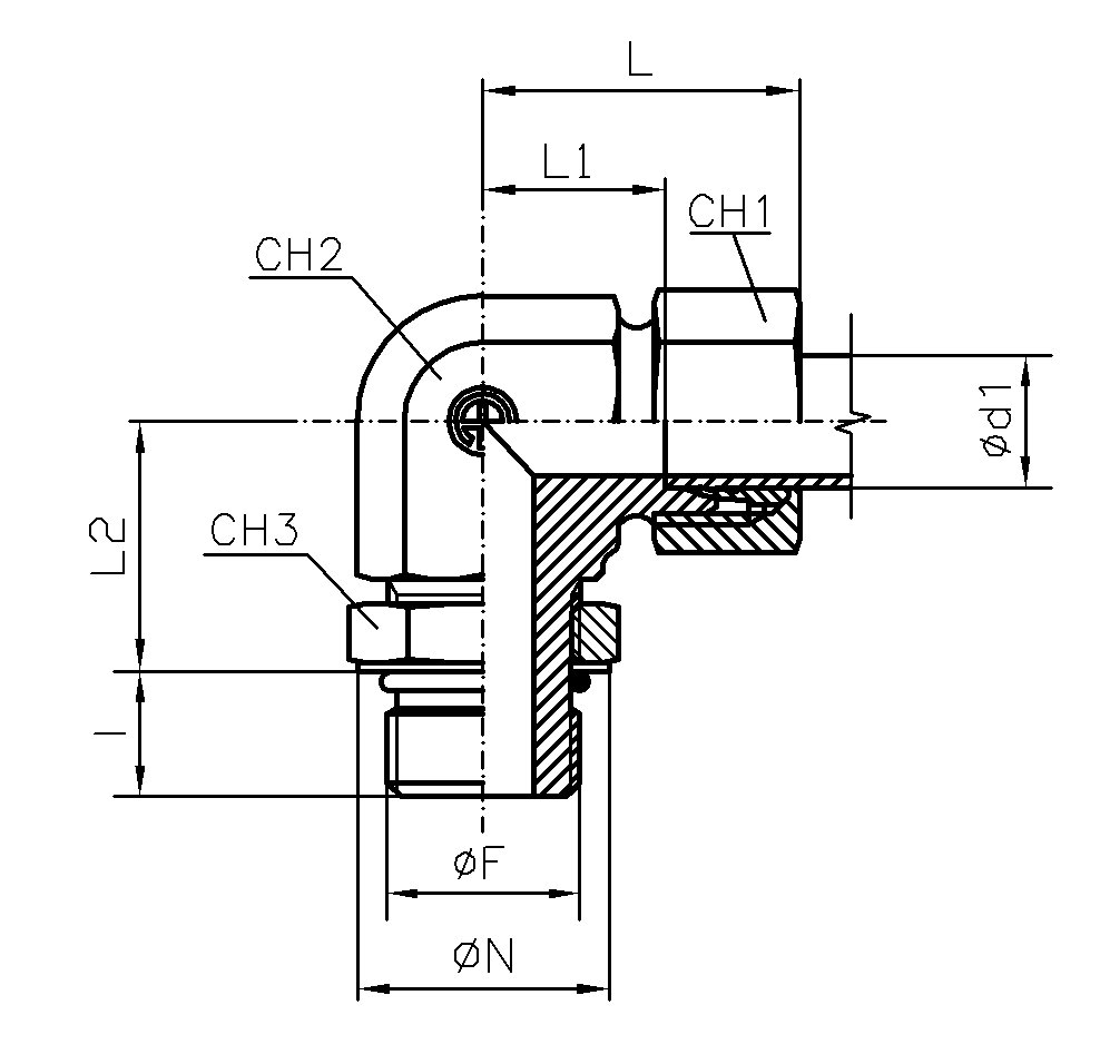
TN 514 L Cot ajustabil filet exterior UNF
| Tip Filet | UNF |
| Conector F1 | Filet METRIC exterior cilindric |
| Etansare F1 | Con interior 24° |
| Conector F2 | Filet UNF/UN exterior cilindric |
| Etansare F2 | Inel O-Ring |
| Echipare | Corp (fara piulita si inel de taiere) |
| Standard | DIN 2353/ISO 8434-1 |
| Material | Otel |
| Suprafata | Galvanizare |
Caracteristici
| Cod | PN | Diametru teava | Ød1 | F | CH1 | CH2 | CH3 | ØN | I | L | L1 | L2 | O-Ring |
|---|---|---|---|---|---|---|---|---|---|---|---|---|---|
| 315 | 6 | 6 | 7/16''-20 | 14 | 14 | 14 | 16.2 | 9 | 29 | 14 | 20 | 8.92x1.83 | |
| 315 | 8 | 8 | 7/16''-20 | 17 | 14 | 14 | 16.2 | 9 | 31 | 16 | 20 | 8.92x1.83 | |
| 315 | 10 | 10 | 9/16''-18 | 19 | 19 | 17 | 21.2 | 10 | 32 | 17 | 24 | 11.89x1.98 | |
| 315 | 12 | 12 | 9/16''-18 | 22 | 19 | 17 | 21.2 | 10 | 34 | 19 | 26 | 11.89x1.98 | |
| 315 | 12 | 12 | 3/4''-16 | 22 | 19 | 22 | 26.2 | 11 | 34 | 19 | 26.5 | 16.36x2.21 | |
| 315 | 15 | 15 | 3/4''-16 | 27 | 22 | 22 | 26.2 | 11 | 36 | 21 | 30 | 16.36x2.21 | |
| 315 | 15 | 15 | 7/8''-14 | 27 | 22 | 27 | 29.3 | 12.7 | 36 | 21 | 30.3 | 19.18x2.46 | |
| 315 | 18 | 18 | 7/8''-14 | 32 | 27 | 27 | 29.3 | 12.7 | 40 | 24 | 34.3 | 19.18x2.46 | |
| 315 | 18 | 18 | 1.1/16''-12 | 32 | 33 | 32 | 37.5 | 15 | 40.5 | 24.5 | 35 | 23.47x2.95 | |
| 160 | 22 | 22 | 1.1/16''-12 | 36 | 33 | 32 | 37.5 | 15 | 44 | 28 | 37 | 23.47x2.95 | |
| 160 | 18 | 18 | 1.5/16''-12 | 41 | 41 | 41 | 44 | 15 | 47 | 31 | 42 | 29.74x2.95 | |
| 160 | 35 | 35 | 1.5/8''-12 | 50 | 48 | 50 | 54.5 | 15 | 59 | 38 | 48 | 37.47x3.00 | |
| 160 | 42 | 42 | 1.7/8''-12 | 60 | 48 | 55 | 56 | 15 | 61 | 38 | 49 | 43.69x3.00 |