TN 514 SM Cot ajustabil filet exterior METRIC
| Tip Filet | METRIC |
| Conector F1 | Filet METRIC exterior cilindric |
| Etansare F1 | Con interior 24° |
| Conector F2 | Filet METRIC exterior cilindric |
| Etansare F2 | Inel O-Ring |
| Echipare | Corp (fara piulita si inel de taiere) |
| Standard | DIN 2353/ISO 8434-1 |
| Material | Otel |
| Suprafata | Galvanizare |
Caracteristici
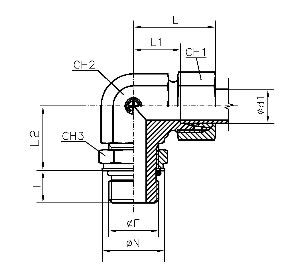
| Cod | PN | Diametru teava | Ød1 | F | CH1 | CH2 | CH3 | ØN | I | L | L1 | L2 | O-Ring |
|---|---|---|---|---|---|---|---|---|---|---|---|---|---|
| 400 | 6 | 6 | M12x1.5 | 17 | 14 | 17 | 18 | 11 | 30.5 | 15.5 | 22 | 9.3x2.2 | |
| 400 | 8 | 8 | M14x1.5 | 19 | 19 | 19 | 20 | 11 | 33 | 18 | 25 | 11.3x2.2 | |
| 400 | 10 | 10 | M16x1.5 | 22 | 19 | 22 | 23 | 12.5 | 34 | 18 | 25.5 | 13.3x2.2 | |
| 400 | 12 | 12 | M18x1.5 | 24 | 22 | 24 | 25 | 14 | 38 | 22 | 29 | 15.3x2.2 | |
| 400 | 16 | 16 | M22x1.5 | 30 | 27 | 27 | 28 | 14.5 | 43 | 25 | 35.5 | 19.3x2.2 | |
| 400 | 20 | 20 | M27x2 | 36 | 33 | 32 | 33 | 16 | 49 | 28 | 37.5 | 23.6x2.9 | |
| 315 | 25 | 25 | M33x2 | 46 | 41 | 41 | 42 | 16 | 54.5 | 30.5 | 41 | 29.6x2.9 | |
| 250 | 30 | 30 | M42x2 | 50 | 48 | 50 | 51 | 18 | 62 | 36 | 50 | 38.6x2.9 | |
| 200 | 38 | 38 | M48x2 | 60 | 48 | 55 | 56 | 20 | 65 | 34 | 49 | 44.6x2.9 |